ѹ & Ư
ȸҰ
COMPANY
CEO λ縻
ȸ翬
ֿŷü
& Ұ
ô±
ǰ
PRODUCT
Ư
ֿƼ()
ѱ߱()
̺꼾
TIZIT
()
ǰ
ڷ
DATA
ڷ
ǰڷ
īٷα
CUSTOMER
1:1
ֹ
Խ
COMMUNITY
Q & A Խ
> ǰ >
()
ǰ ȳ >
Ư
ֿƼ
ѱ߱()
TIZIT
ǰ
ƯǰǸ
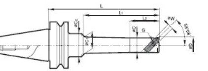
BT-BKA
FZ Micro Boring Bar BT-BKA